SKF NN 3092 K/SPW33

SKF NN 3092 K/SPW33
SKF NN 3092 K/SPW33
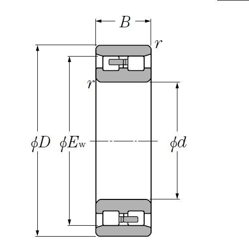
Thông số cơ bản

d(mm):460

D(mm):680

B(mm):163

quality(kg):190

Liên hệ với chúng tôi để có catalog chi tiết sản phẩm